An overload of the internal trace pitch and the deep discharge relay will be avoided, when a battery is connected at the output of the AKKUTEC.The current will be shared hereby between the AKKUTEC and the Battery.
The Battery test is still functional as before.
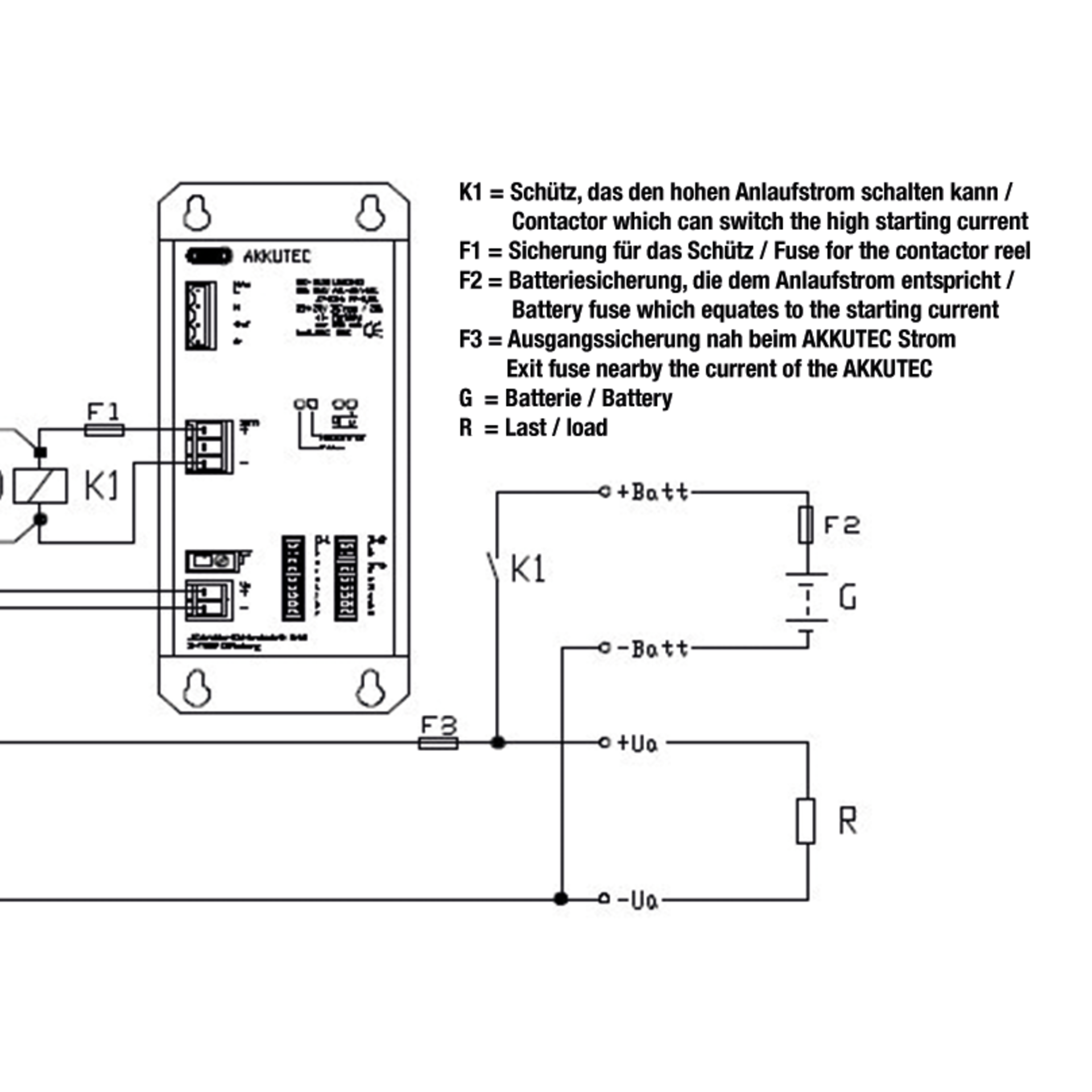
To ensure a deep discharge protection, we will use an external contactor which will isolate the battery and the load, when the deep discharge limit has been achieved.

 

The following points must be observed:

  1. The batteries must be efficient (not broken), that the electronic circuit is still in function
  2. The starting current must not often arise, because the battery will be discharged subsequently.