Typische Anwendungsfälle für unsere Produkte
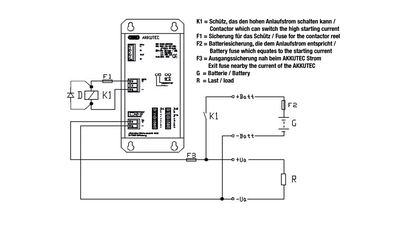
Unsere Produkte werden in einer vielzahl an Anwendungen eingesetzt. Wir haben für Sie einige Beispiele herausgesucht und nachfolgend beschrieben. Viel Spaß beim Lesen!
Unsere Produkte werden in einer vielzahl an Anwendungen eingesetzt. Wir haben für Sie einige Beispiele herausgesucht und nachfolgend beschrieben. Viel Spaß beim Lesen!